Product Summary
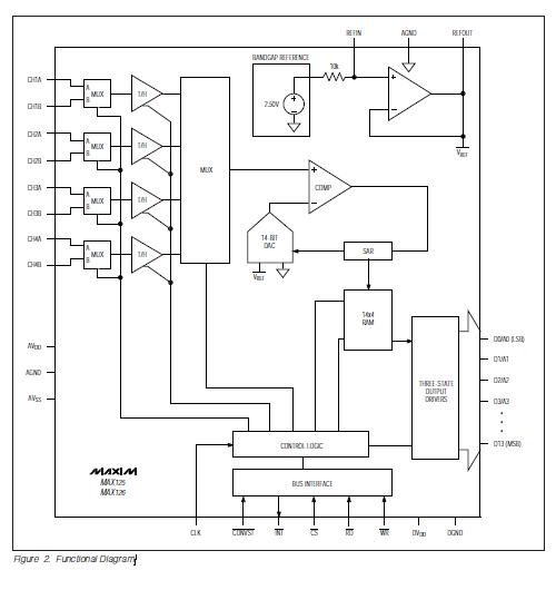
The max125ceax is a high-speed, multichannel, 14-bit data-acquisition system (DAS) with simultaneous track/holds (T/Hs). The max125ceax contains a 14-bit, 3μs, successive-approximation analog-to-digital converter (ADC), a +2.5V reference, a buffered reference input, and a bank of four simultaneous-sampling T/H amplifiers that preserve the relative phase information of the sampled inputs. The max125ceax has two multiplexed inputs for each T/H, allowing a total of eight inputs.
Parametrics
max125ceax absolute maximum ratings: (1)AVDD to AGND: -0.3V to 6V; (2)AVSS to AGND: 0.3V to -6V; (3)DVDD to DGND: -0.3V to 6V; (4)AGND to DGND: -0.3V to 0.3V; (5)CH_ _ to AGND: ±17V; (6)REFIN, REFOUT to AGND: -0.3V to 6V; (7)Digital Inputs/Outputs to DGND: -0.3V to (DVDD + 0.3V); (8)Continuous Power Dissipation (TA = +70℃); (9)SSOP (derate 11.8mW/℃ above +70℃): 941mW; (10)Operating Temperature Ranges; (11)MAX125CCAX/MAX126CCAX: 0 to +70℃; (12)MAX125CEAX/MAX126CEAX: -40 to +85℃; (13)Storage Temperature Range: -65 to +150℃; (14)Lead Temperature (soldering, 10sec): 300℃.
Features
max125ceax features: (1)Four Simultaneous-Sampling T/H Amplifiers with Two Multiplexed Inputs (eight single-ended inputs total); (2)3μs Conversion Time per Channel; (3)Throughput: 250ksps (1 channel); 142ksps (2 channels); 100ksps (3 channels); 76ksps (4 channels); (4)Input Range: ±5V; (5)Fault-Protected Input Multiplexer (±17V); (6)±5V Supplies; (7)Internal +2.5V or External Reference Operation; (8)Programmable On-Board Sequencer; (9)High-Speed Parallel DSP Interface.
Diagrams

| Image | Part No | Mfg | Description | ![]() |
Pricing (USD) |
Quantity | ||||||||||||
|---|---|---|---|---|---|---|---|---|---|---|---|---|---|---|---|---|---|---|
![]() |
![]() MAX125CEAX |
![]() Maxim Integrated Products |
![]() ADC (A/D Converters) |
![]() Data Sheet |
![]() Negotiable |
|
||||||||||||
![]() |
![]() MAX125CEAX+ |
![]() Maxim |
![]() IC DAS 14BIT 2X4CH 36-SSOP |
![]() Data Sheet |
![]() Negotiable |
|
||||||||||||
![]() |
![]() MAX125CEAX+T |
![]() Maxim |
![]() IC DAS 14BIT 2X4CH 36-SSOP |
![]() Data Sheet |
![]() Negotiable |
|
||||||||||||
![]() |
![]() MAX125CEAX+TD |
![]() Maxim Integrated Products |
![]() ADC (A/D Converters) 14-Bit 8Ch 250ksps 2.75V Precision ADC |
![]() Data Sheet |
![]()
|
|
||||||||||||
![]() |
![]() MAX125CEAX-T |
![]() Maxim Integrated Products |
![]() ADC (A/D Converters) |
![]() Data Sheet |
![]() Negotiable |
|
||||||||||||
![]() |
![]() MAX125CEAX+D |
![]() Maxim Integrated Products |
![]() ADC (A/D Converters) 14-Bit 8Ch 250ksps 2.75V Precision ADC |
![]() Data Sheet |
![]()
|
|
||||||||||||
(China (Mainland))










