Product Summary
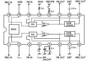
The ha12134af-er is a silicon monolithic bipolar IC providing dual channel Dolby B-type noise reduction system in one chip. The circuit is used primarily to reduce the level of background noise introduced during recording and playback of audio signals on magnetic tape. The ha12134af-er provides the following functions and features.
Parametrics
ha12134af-er absolute maximum ratings: (1)Supply voltage Vccmax: 16 V; (2)Power dissipation Pd: 250 mW; (3)Operating temperature Topr: –40 to +85 ℃; (4)Storage temperature Tstg: –55 to +125 ℃; (5)Lead temperature TI: 260 ℃.
Features
ha12134af-er features: (1)Separate record/playback input and output. Unprocessed signal output available in the encode and decode modes; (2)Reduction of external components count; (3)Small capacitor value for the reference voltage; (4)NR ON/OFF switching and REC/PB switching are provided internally; (5)2-type package (DP-16, FP-16DA); (6)Wide range of operating supply voltage.
Diagrams

![]()  | 
                            ![]() HA12  | 
                            ![]() Vector  | 
                            ![]() Prototyping Products HANDLE  | 
                            ![]() Data Sheet  | 
                            ![]() 
  | 
                            
                            	 | 
                      ||||||||||
![]()  | 
                            ![]() HA12010  | 
                            ![]() Other  | 
                            ![]()  | 
                            ![]() Data Sheet  | 
                            ![]() Negotiable  | 
                            
                            	 | 
                      ||||||||||
![]()  | 
                            ![]() HA12016  | 
                            ![]() Other  | 
                            ![]()  | 
                            ![]() Data Sheet  | 
                            ![]() Negotiable  | 
                            
                            	 | 
                      ||||||||||
![]()  | 
                            ![]() HA12133MP  | 
                            ![]() Other  | 
                            ![]()  | 
                            ![]() Data Sheet  | 
                            ![]() Negotiable  | 
                            
                            	 | 
                      ||||||||||
![]()  | 
                            ![]() HA12134A  | 
                            ![]() Other  | 
                            ![]()  | 
                            ![]() Data Sheet  | 
                            ![]() Negotiable  | 
                            
                            	 | 
                      ||||||||||
![]()  | 
                            ![]() HA12135A  | 
                            ![]() Other  | 
                            ![]()  | 
                            ![]() Data Sheet  | 
                            ![]() Negotiable  | 
                            
                            	 | 
                      ||||||||||
 (China (Mainland)) 
                         
                        
                                    







