Product Summary
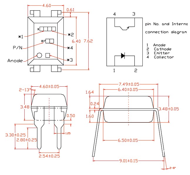
The bpc-817 is an optically coupled isolator containing a GaAs light emitting diode and an NPN silicon phototransistor. The applications of the bpc-817 include: Computer terminals, System appliances, measuring instruments, Registers, copiers, automatic vending machines, Electric home appliances, such as fan heaters, etc, Signal transmission between circuits of different potentials and impedances.
Parametrics
bpc-817 absolute maximum ratings: (1)Forward Current IF: 50 mA; (2)Reverse Voltage VR: 6 V; (3)Power Dissipation P: 70 mW; (4)Total Power Dissipation Ptot: 200 mW; (5)Isolation Voltage Viso: 5,000 Vrms; (6)Rated impulse isolation voltage VIOTM: 6,000 V; (7)Rated repetitive peak isolation voltage VIORM: 630 V; (8)Operating Temperature Topr: -30 to + 100 ℃; (9)Storage Temperature Tstg: -55 to + 125 ℃; (10)Soldering Temperature Tsol: 260 ℃.
Features
bpc-817 features: (1)Current transfer ratio (CTR: MIN. 50% at IF=5mA, VCE=5V); (2)High input-output isolation voltage (VISO=5,000Vrms); (3)Response time (tr: TYP. 4μs at VCE=2V, IC=2mA, RL=100 Ω); (4)UL approved (NO.E236324); (5)CSA approved (NO.218896); (6)VDE approved (NO.40007240); (7)TUV approved (NO.R50029014); (8)This product doesn’t contain restriction substance, comply ROHS standard.
Diagrams

![]() |
![]() BPC-6017 |
![]() Other |
![]() |
![]() Data Sheet |
![]() Negotiable |
|
||||
![]() |
![]() BPC-6169 |
![]() Other |
![]() |
![]() Data Sheet |
![]() Negotiable |
|
||||
![]() |
![]() BPC-6170 |
![]() Other |
![]() |
![]() Data Sheet |
![]() Negotiable |
|
||||
![]() |
![]() BPC-6171 |
![]() Other |
![]() |
![]() Data Sheet |
![]() Negotiable |
|
||||
![]() |
![]() BPC-6670 |
![]() Other |
![]() |
![]() Data Sheet |
![]() Negotiable |
|
||||
![]() |
![]() BPC-6671 |
![]() Other |
![]() |
![]() Data Sheet |
![]() Negotiable |
|
||||
(China (Mainland))








