Product Summary
The TA2024 is a 10W/ch continuous average two-channel Class-T Digital Audio Power Amplifier IC using Tripath’s proprietary Digital Power Processing technology. Class-T amplifiers offer both the audio fidelity of Class-AB and the power efficiency of Class-D amplifiers. The applications of the TA2024 are: Computer/PC Multimedia, DVD Players, Cable Set-Top Products, Televisions, Video CD Players, Battery Powered Systems.
Parametrics
TA2024 absolute maximum ratings: (1)VDD Supply Voltage: 16 V; (2)V5 Input Section Supply Voltage: 6.0 V; (3)SLEEP SLEEP Input Voltage: -0.3 to 6.0 V; (4)MUTE MUTE Input Voltage: -0.3 to V5+0.3 V; (5)ESDHBM ESD Susceptibility, All pins except pins 1,4: 2000 V; (6)ESDMM ESD Susceptibility, Machine Model: 200 V; (7)TSTORE Storage Temperature Range: -40 to 150 ℃; (8)TA Operating Free-air Temperature Range: 0 to 70 ℃; (9)TJ Junction Temperature: 150 ℃.
Features
TA2024 features: (1)Class-T architecture; (2)Single Supply Operation; (3)Dynamic Range = 102 dB; (4)Mute and Sleep inputs; (5)Turn-on & turn-off pop suppression; (6)Over-current protection; (7)Over-temperature protection; (8)Bridged outputs; (9)36-pin Power SOP package.
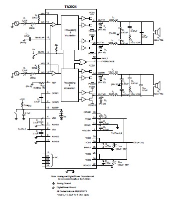
Diagrams

| Image | Part No | Mfg | Description | ![]() |
Pricing (USD) |
Quantity | ||||||
|---|---|---|---|---|---|---|---|---|---|---|---|---|
![]() |
![]() TA2024 |
![]() Other |
![]() |
![]() Data Sheet |
![]() Negotiable |
|
||||||
![]() |
![]() TA2024B |
![]() Other |
![]() |
![]() Data Sheet |
![]() Negotiable |
|
||||||
![]() |
![]() TA20241603DH |
![]() |
![]() SCR PHASE CTRL 2400V 1600A |
![]() Data Sheet |
![]()
|
|
||||||
(China (Mainland))









