Product Summary
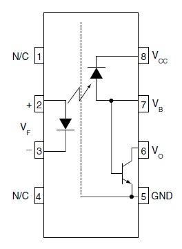
The 6n135sd is a High Speed Transistor Optocoupler. The 6n135sd consists of an AlGaAs LED optically coupled to a high speed photodetector transistor. A separate connection for the bias of the photodiode improves the speed by several orders of magnitude over conventional phototransistor optocouplers by reducing the base-collector capacitance of the input transistor. The 6n135sd is used in Line receivers, Pulse transformer replacement, Output interface to CMOS-LSTTL-TTL, Wide bandwidth analog coupling.
Parametrics
6n135sd absolute maximum ratings: (1)Storage Temperature TSTG: -55 to +125 ℃; (2)Operating Temperature TOPR: -55 to +100 ℃; (3)Lead Solder Temperature TSOL: 260 for 10 sec ℃; (4)DC/Average Forward Input Current IF(avg): 25 mA; (5)Peak Forward Input Current (50% duty cycle, 1 ms P.W.) IF(pk): 50 mA; (6)Peak Transient Input Current - (≤1 μs P.W., 300 pps) IF(trans): 1.0 A; (7)Reverse Input Voltage VR: 5 V; (8)Input Power Dissipation PD: 100 mW.
Features
6n135sd features: (1)High speed-1 MBit/s; (2)Superior CMR-10 kV/μs; (3)Double working voltage-480V RMS; (4)CTR guaranteed 0-70℃; (5)U.L. recognized (File # E90700).
Diagrams

| Image | Part No | Mfg | Description | ![]()  | 
                            Pricing (USD)  | 
                            Quantity | ||||||||||||
|---|---|---|---|---|---|---|---|---|---|---|---|---|---|---|---|---|---|---|
![]()  | 
                            ![]() 6N135SD  | 
                            ![]() Fairchild Semiconductor  | 
                            ![]() High Speed Optocouplers 1Mbit/s 1Ch Optocoup Transistor Hi Speed  | 
                            ![]() Data Sheet  | 
                            ![]() 
  | 
                            
                            	 | 
                      ||||||||||||
![]()  | 
                            ![]() 6N135SDM  | 
                            ![]() Fairchild Semiconductor  | 
                            ![]() High Speed Optocouplers HI-SPEED SM LEAD BEND  | 
                            ![]() Data Sheet  | 
                            ![]() 
  | 
                            
                            	 | 
                      ||||||||||||
![]()  | 
                            ![]() 6N135SDV  | 
                            ![]() Fairchild Semiconductor  | 
                            ![]() High Speed Optocouplers 1Mbit/s 1Ch Optocoup Transistor Hi Speed  | 
                            ![]() Data Sheet  | 
                            ![]() 
  | 
                            
                            	 | 
                      ||||||||||||
 (China (Mainland)) 
                         
                        
                                    








