Product Summary
The BISS0001 is a PIR motion sensor.
Parametrics
BISS0001 maximum ratings: (1)VCC: 6 V; (2)Iop: 10 mA; (3)Topr: -10 to 70℃.
Features
BISS0001 characteristics: (1)V CC: 3 to 5 V; (2)Vio: 50 m V max; (3)Iio: 50 nA max; (4)Gv: 60 dB min; (5)IiH: 3.5 V min; (6)IiL: 1.5 V max; (7)ICCQ: 50uA at Vdd=3v; 100uA at Vdd=5V; (8)IOH: 4 V; (9)IOL: 0.1 V.
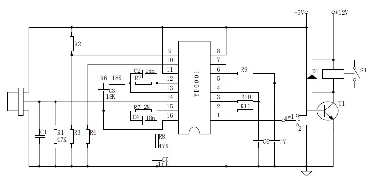
Diagrams

(China (Mainland))






