Product Summary
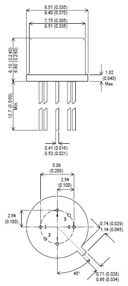
The 2n2920 is a dual NPN planar transistor. Its package is T707.
Parametrics
2n2920 absolute maximum ratings: (1)VCBO, Collector – Base Voltage: 60V each side; (2)VCEO, Collector – Emitter Voltage: 60V each side; (3)VEBO, Emitter – Base Voltage: 60V each side; (4)IC, Continuous Collector Current: 30 each side; (5)TSTG, Storage Temperature Range: -60 to 200℃; (6)TL, Lead temperature(Soldering, 10 sec.): 300℃.
Features
2n2920 features: (1)V(BR)CBO, collector-base breakdown voltage: 60V min, condition: IC=10μA, IE=0; (2)V(BR)CEO, collector-emitter breakdown voltage: 60V min, condition: IC=10mA, IE=0; (3)V(BR)EBO, emitter-base breakdown voltage: 6V min, condition: IE=10μA, IE=0; (4)ICBO, collector cut-off current: 2nA when VCB=45V, IE=0; 10μA when TA=150℃; (5)ICEO, emitter cut-off current: 2nA when VCE=45V, IB=0; 2nA when VBE=5V, IC=0.
Diagrams

| Image | Part No | Mfg | Description | ![]() |
Pricing (USD) |
Quantity | ||||||||
|---|---|---|---|---|---|---|---|---|---|---|---|---|---|---|
![]() |
![]() 2N2920DCSM |
![]() Other |
![]() |
![]() Data Sheet |
![]() Negotiable |
|
||||||||
![]() |
![]() 2N2920 |
![]() Central Semiconductor |
![]() Transistors Bipolar (BJT) NPN Low Noise |
![]() Data Sheet |
![]()
|
|
||||||||
(China (Mainland))










